歡迎訪問上海靜禹閥門有限公司官網!
|
電話:021-52735798 郵箱:jingyuvalve@163.com |

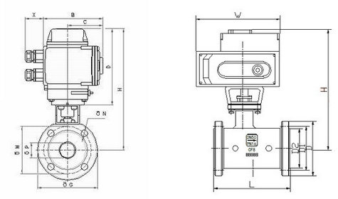
| 公稱通徑 | DN15~DN200(mm) |
| 公稱壓力 | 1.0、1.6、2.5MPa |
| 連接形式 | 對夾、法蘭 |
| 結構形式 | 分體式、整體式 |
| 驅動形式 | 電源驅動AC220V、AC380V、DC24V(其它特制) |
| 動作范圍 | 0~90° |
| 閥芯結構 | O型閥芯 |
| 閥體材質 | 鑄鋼(WCB)、不銹鋼(304、316、316L) |
| 密封材料 | PTFE(聚四氟乙烯)、PPL(對位聚苯)、金屬密封(硬質合金) |
| 使用介質 | 易凝固介質 |
| 控制方式 | 開關式(兩位切斷)、調節型(閥門定位器4~20mA信號) |

| 可選功能 | |
| 防爆功能 | 防爆等級:Exd II BT4 |
| 調節功能 | 輸入輸出4-20mA、O- 5V.DC、0- 10V.DC |
| 手動功能 | 可裝配手動裝置,開閥、關閥功能 |